Ping Pong Launcher

For this project I worked with three engineers and designers to develop and build a system that could launch ping pong balls into a 7” target 5’ away with speed, accuracy, and repeatability.

Constraints

  • System must be contained within a 12” x 12” x 24” volume

  • Implementation of springs

  • Maximum of 15 lbs available to constrain movement of system during launching (no clamps)

Concept Ideation, Sketches

Prototype 1

Driving Questions:

  • What materials and hardware can be used to maximize rigidity and minimize friction?

  • How can we interface components to avoid material failure and ensure a straight launch release?

Prototype 2

Driving Questions:

  • How can we increase accuracy?

  • What is the optimal pull back displacement and launch angle?

After testing and measuring spring displacements, we reprinted the launch platform with 1” hard stops for repeatability.

Results

  • 22° launch angle

  • Max ball capacity: 5

  • ~60 balls launched in 2 minutes: average of 1 ball/2 seconds

  • 7.5 lbs of weight used

  • Best 2 Minute Run (scoring parameters: make = +3, miss = -1):

  • 42 make, 18 miss

  • 71% accuracy

  • 108 points (exceeded 70 point benchmark)

Final Model

CAD - Fusion 360

Launcher Components:

Left to right:

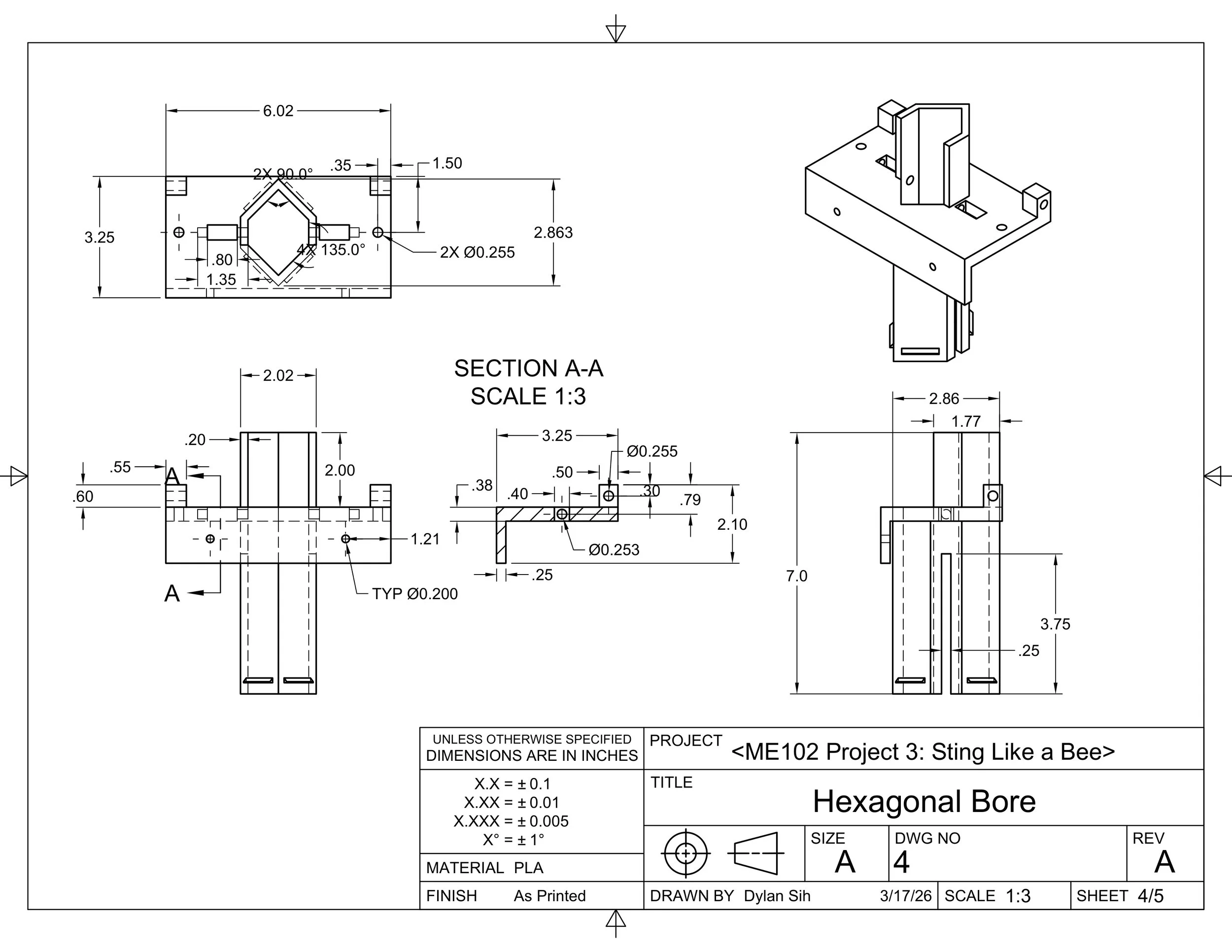
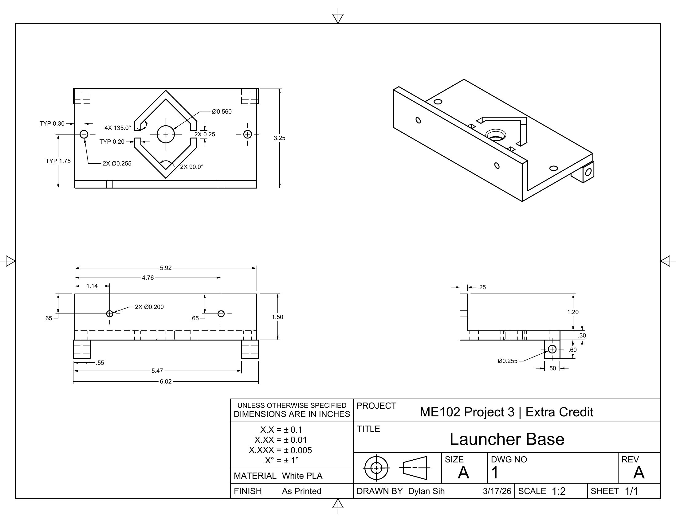
  • Bore

  • Launcher

  • Base

Loader Components:

Left to right:

  • Reservoir

  • Inner bar

  • Handle

Full Systems:

Left to right:

  • Launcher

  • Loader

  • Full system

Engineering Drawings

Next
Next

Stanford Guest House