Olympic Lift

For this project I worked with a mechanical engineer to build a system that modeled raising an athlete onto a podium stand, furthering my skills with CAD (Fusion 360), 3D Printing, and Laser Cutting.

Constraints

  • System must be contained within a 12” x 12” x 12” volume

  • Rotational input, linear output

  • Minimum 6” vertical displacement of ~2.5 lb weight

Concept Ideation, Sketches, Rough Prototype

Further Iterations & Prototyping

A critical part of our process was the ability to rapidly prototype and test with real printed parts instead of theorizing about what hypothetically would or wouldn’t work.

Pivots/Decisions:

  • Bevel Gears → Pinwheel

  • Direct crank shaft

  • No need for guide-rail through-dowels

  • Larger single-start thread for drive shaft

CAD - Fusion 360

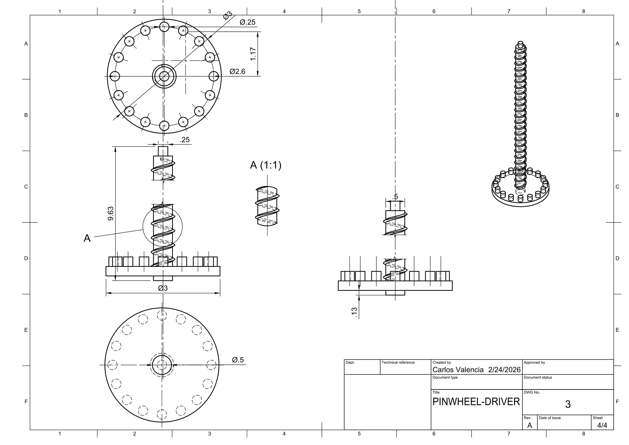
Engineering Drawings

Final Model

Previous
Previous

Stanford Guest House

Next
Next

Omni-Directional Spacial